电话:0577-66996885
传真:0577-66995778
手机:13353386068
Q Q:2219968630
网址:www.bengzhan.cn
地址:浙江省永嘉县瓯北镇三桥工业区
【FSB型氟塑料合金离心泵】产品:
【FSB型氟塑料合金离心泵】产品简介:
FSB型氟塑料合金离心泵按国际标准设计,泵体采用金属外壳内衬聚全氟乙丙烯(F46),泵盖、叶轮和轴套均用金属嵌件外包氟塑料整体烧结压制成型,轴封采用外装式波纹管机械密封,静环选用99%氧化铝陶瓷或氮化硅,动环采用四氟填充材料,耐腐耐磨,适用于输送任何浓度的硫酸、盐酸、醋酸、氢氟酸、硝酸、王水、强碱、强氧化剂、有机溶剂、还原剂等苛刻条件的强腐蚀性介质,是目前世界上*强耐腐蚀装备之一。
本司产品全部采用计算机设计和优化处理,公司拥有雄厚的技术力量、丰富的生产经验和完善的检测手段,从而保证产品质量的稳定可靠。
【FSB型氟塑料合金离心泵】型号意义:
【FSB型氟塑料合金离心泵】产品特点:
FSB型氟塑料合金离心泵具有结构紧凑合理、耐强腐蚀、密封性能严密可靠、工作稳定、噪声低、机械强度高、不老化、无毒素分解、维修方便、流道光滑、效率高,节约能源等优点。杜绝跑、冒、滴、漏,广泛应用于化工、制酸、制碱、冶炼、稀土、农药、染料、医药、造纸、电镀、电解、酸洗、无线电、化成箔、科研机构、国防工业等行业。
【FSB型氟塑料合金离心泵】技术参数:
流量:3.6~100m3/h;
扬程:15~55m;
转速:2900r/min;
功率:1.5~18.5KW;
进口直径:25~100mm;
适用温度:-20℃~120℃。
【FSB型氟塑料合金离心泵】机械密封:
FSB和FSB-D氟塑料合金离心泵采用目前*为先进的外装式四氟波纹管机械密封,其特点是能补偿泵轴的径向跳动,单端面密封外装式、易装卸、工作状态直观、耐腐耐磨密封性能好、拥有多层保护,延长了机封使用寿命;对于输送含杂质颗粒腐蚀性介质时,可配用无冷却水单端面硬对硬(碳化硅对碳化硅)机械密封,强碱与氢氟酸等特殊腐蚀性介质配用无压烧结碳化硅密封;用户选型时需考虑到介质中的固体含量及介质特殊腐蚀性.
【FSB型氟塑料合金离心泵】结构图:
【FSB型氟塑料合金离心泵】性能参数:
【FSB-D型氟塑料合金离心泵】性能曲线图:
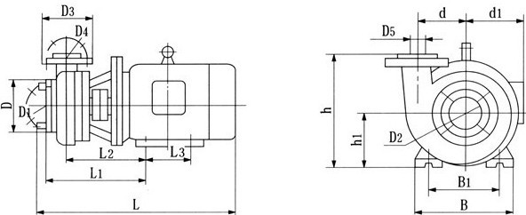
【FSB型氟塑料合金离心泵】安装尺寸图:
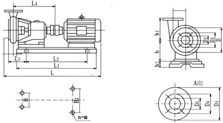
【FSB-D型氟塑料合金离心泵】安装尺寸图:
【FSB型氟塑料合金离心泵】拆卸与安装:
泵的拆卸
1.泵与电机联接用爪型联轴器连接,拆卸时先松掉支架与底座的4只连接螺栓.使泵与电机脱开。
2.松开泵体后盖的连接螺栓.用木柄轻击泵体脱开。
3.松开叶轮轴与泵轴莫氏锥度连接在连轴器中的吊紧螺栓。
4.松开机械密封动!不固定螺钉,用木锤轻击连轴器中心吊紧螺栓,叶轮轴与泵轴莫氏锥度松开后拉出叶轮、后盖、密封件动环.松开后盖上压盖螺钉.取出o坏。
5.松开泵轴左右压盖螺钉.取出泵轴、轴承、清洗支架油室。
装配
按拆卸的相反顺序将密封件动环、o环、后盖、压盖、叶轮、泵体等装上紧定螺栓。
【FSB型氟塑料合金离心泵】使用注意事项:
安装及注意事项
1.在安装前应对泵和电机进行检耍鞑糠钟ν旰梦匏穑媚谖拊游铩
2.将本泵放置水平位置上接上进、出管和接通电源.*后用手盘动联轴器.检擞形夼霾料窒.转动轻松均蛟虬沧敖崾
3.塑料合金离心泵钢度较金属差,故管路重量不能直接压在泵体上,迸、出口管路应另加支架承受.扬程高的泵在出口还应安装逆止阀.以防突然停机的水锤破坏。
4.所有接合处必须保持密封.以防漏气、液影响泵的工作性能。
5.运转过程中如发现撅动或不正常声音时.应立即停车检嗽.故降排除后才能工作。
起动与停车
1.往水泵内注足液体(引液)。
2.桧酥Ъ苡褪业挠臀皇欠裨诠娑ǚ段凇
3.检说缍俗较.调看泵的旋转标记。
4.关闭出口阀门及压力表旋塞。
5.启动电机.打开压力表旋塞.慢慢打开出口阀门,当压
6.重要停车时,首先关闭出水阀,再切断电源。
力表指针指到需要的位置时.停止出水阀门大小的调整。
【FSB型氟塑料合金离心泵】故障原因与排除方法:
声明:由于产品一直在更新,本文中所有文字、数据、图片均只适用于参考,FSB型氟塑料合金离心泵性能参数、FSB型氟塑料合金离心泵使用场合、FSB型氟塑料合金离心泵材质要求、FSB型氟塑料合金离心泵结构、FSB型氟塑料合金离心泵安装尺寸以及FSB型氟塑料合金离心泵的价格等详情,我们一定会尽心尽力为您提供优质的服务。

