电话:0577-66996885
传真:0577-66995778
手机:13353386068
Q Q:2219968630
网址:www.bengzhan.cn
地址:浙江省永嘉县瓯北镇三桥工业区
SK型直联水环式真空泵产品:
SK型直联水环式真空泵产品简介:
SK型直联水环式真空泵SK-0.4、SK-0.8 、SK-1.0 、SK-1.5B型水环泵是用来抽吸空气和其它无腐蚀性、不溶于水、不含有固体颗粒的气体,以便在密闭容器中形成真空。吸入气体中允许含有少量液体。SK型直联水环式真空泵广泛用于机械、石油、化工、制药、食品、陶瓷印染、冶金等行业,还特别适合作大型水泵引水用。由于在工作过程中,气体的压缩是等温的,在抽吸具有腐蚀性、易燃、易爆的气体时,不易发生危险,所以其应用更加广泛。
SK型直联水环式真空泵,结构说明:
泵的结构如图二所示:主要是由泵盖、叶轮、泵体组成,泵体上部有进排气口法兰,轴偏心装在泵体内,叶轮用平键固定于轴上,叶轮与泵盖及圆盘间的间隙,用泵体和圆盘之间间的垫子来调整,此间隙决定气体在泵内由进气口至排气口流动中损失的大小。
填料装在泵体内,密封水经泵体上的针孔流入填料中,叶轮形成水环所需的补充水经由泵体上的弯头供给,它可与自来水或汽水分离器联在一起,供给循环水。在圆盘上排气孔下面有几行圆孔,用橡皮球阀关闭,这些孔的作用是当叶片间气体压力达到排气力时,在排气口之前就将气体自动放出,因此减少因气体压力过大而消耗功率。
SK型直联水环式真空泵工作原理:
如图(一)所示,叶轮偏心地安装在泵体内,泵起动时,向泵内注入一定高度的水,当叶轮旋转时,水受离心力的作用而在泵体内壁形成一旋转水环,水环下部内表面与轮毂相切,沿箭头方向旋转时,在前半转过程中,水环内表面逐渐与轮毂脱离,因此在叶片间形成空间并逐渐扩大,内部压力低于入口处压力,此时吸入气体。在后半转过程中,水环内表面逐渐与轮毂靠近,叶片间的空间容积缩小,气体压力高于大气压时被排出。如此叶轮反复工作,泵就连续不断地抽吸气体。由于在工作过程中,水会随工作时间的延续而发热,同时部分水会与气体一起被排出,因此,工作过程中须不断地向泵内供给冷水,以冷却和补充泵内消耗的水。
图(一) 工作原理图
1、吸气口 2、水环 3、排气阀 4、排气口 5、叶轮
SK-0.15结构图
1、泵盖 2、圆盘 3、叶轮 4、紧固螺栓 5、泵体 6、填料密封 7、档圈 8、电机 9、进水嘴
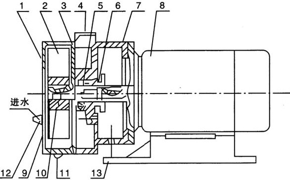
SK-0.4/0.8结构图
1、圆盘 2、泵盖 3、进水管 4、叶轮 5、橡胶球 6、挡板 7、泵体
8、封液环 9、填料 10、填料压盖 11、电机 12、底盘 13、挡水圈
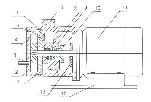
SK-1.5B 结构图
1、泵盖 2、圆盘 3、叶轮 4、紧固螺栓 5、泵体
6、机械密封 7、档圈 8、电机 9、真空调节阀 10、进水嘴
注:真空调节阀的作用:
真空泵在极限真空下工作时,由于泵内产生物理作用而发生响声,但功率消耗并不增大,可调节真空调节阀,响声即可消除,真空度仍在使用范围内。(700 mmHg)
SK型直联水环式真空泵性能参数:
注:SK型直联水环式真空泵表中列数据在下列条件下得出:
1、大气压力0.1013Mpa(760mmHg)
2、进水温度15℃
3、吸入空气温度20℃
4、空气相对湿度70%
5、性能允许偏差±10%
SK型直联水环式真空泵性能曲线图:
汽水分离器及安装说明:
1、用胶管或塑料管将水咀(见图二中12)与自来水连接进行供水,并在此供水管路上安装水阀调节水量。(供水量的大小对其性能有直接的影响)
2、真空泵用来作水泵引水用时,应将吸气口联接在水泵的排水口与管路阀门之间。
3、从电机端看泵为逆时针旋转。(左边为吸气口,右边为排气)。SK-1.5B为顺时针旋转。
4、真空泵吸气管道不可有漏气现象,其地基尺寸以安装图或以实物测量进行安装。
5、若安装汽水分离器,可参看图四。
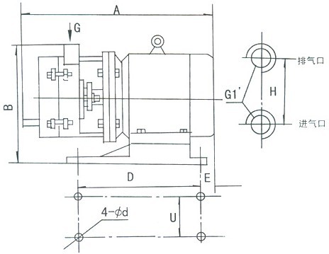
SK型直联水环式真空泵外形及安装尺寸:
SK型直联水环式真空泵使用维护说明:
1、真空泵启动前,须检查电机旋转方向是否与泵的旋转方向相符。启动真空泵后,再调节进水量的大小,然后检查填料压紧是否适当 (填料正常压紧是能够使泵中的水成滴的向外漏出),SK-1.5B应先加水再启动真空泵,再调节进水量的大小,轴承运转润滑是否正常。
2、真空泵启动以后,须观察是否有振动,细听泵内是否有杂声,并测定填料函和轴承温度(正常轴承温度不得比环境温度高出35℃,工作温度不得高于70℃)若温度超高,应立即停车检查原因。
3、真空泵作为水泵真空引水用时,其运转期间将水泵内的空气全部吸出,直到水泵内吸出水来以后,即开动水泵,待水泵正常工作后将真空泵停车,并将吸气管路的阀门关闭。
4、真空泵停车顺序
(1)关闭进气管路上闸阀
(2)关闭供水管路上闸阀,停水后不宜立即停泵,应使泵继续运转1-2分钟排出部分工作液。机械密封应先停泵再停水。
(3)关闭电动机。
(4)如果停车时间超过,须将泵盖底部的螺塞打开,将泵体内水放净。
5、泵在下列条件下使用时,应加附属设备。
(1)被告抽除空气或气体中含有灰尘,必须在进气管上安装过滤器。
(2)被抽气体中含有大量蒸气时,必须在进气管上安装冷凝器。
(3)抽除带有腐蚀性气体时,在进入泵前必须进行中和。
(4)被抽气体的温度超过35℃时,在进入泵前必须经过冷凝装置,以保证温度不超过35℃。
(5)被抽气体中含有大量液体时,必须在进气管前装汽水分离器。
(6)泵的起动电流往往是电机额定电流几倍,必须配用起动开关。
注:①本单位产品随技术改进等原因,不经预告可变更。
②本单位产品在保修期内不经本单位允许,不得随意拆卸。
SK型直联水环式真空泵起动及停车:
(1)起动:
经过长期停车的泵在开动以前,必须用手转动联轴器数周,以便证实没有卡住或损伤现象。
1.关闭进气管上的闸阀(2)(图11)。
2.如果排气管上装有闸阀(9)也应将其关闭。
3.向填料函和气水分离器内注水。
4.当气水分离器往外溢水时,开动电动机。
5.全开由气水分离器向泵给水管路(6)上的球形阀(7)。
6.打开排气管上的闸阀(9)。
7.打开进气管上的闸阀(2)。
8.用球形阀(7)调整由气水分离器向泵送水的水量,以便在所要求的技术条件下下运转,使功率功耗*小。
9.调整由进水管(5)向气水分离器的送水量,以便用*小的水量消耗,保证泵所要求的技术规范。
10.调整向填料函的送水量,以便用*小的水量消耗保证填料函的密封性,真空泵在极限真空度下工作时,由于泵内产生
物理作用而产生爆炸声,但功 率消耗量并不增大。
随着功率消耗的提高而产生的爆炸声,表示泵发生了毛病,此时泵应停车。
(2)停车,车按以顺序:
1.关闭进气管上的闸阀(2)(图11)。
2.关闭排气管上闸阀(9)。
3.关闭电动机。
4.停止向填料、气水分离器内注水。
5.当气不分离器溢水管停止向外溢水后,关闭向泵注水管路。
6.上紧球形阀。
7.如泵停车时,必须拧开泵及气水分离器上的管堵把水放净。
SK型直联水环式真空泵维护:
1.应定期的压紧填料,如填料因磨损而不能保证所需要的密封性时,应换新填料,填料不能压的过紧,正常压紧的填料允许水成滴漏出,其量不得太多,应用油浸的石棉绳作填料。
2.经常检查滚球轴承的工作和润滑情况。
3.正常工作的滚动轴承,其温度比周围温度高15℃~20℃,*高不允许超过55℃~60℃,正常工作的轴承每年应装油3~4次。每年至少清洗轴承一次,并将润滑油全部更换。
声明:由于产品一直在更新,本文中所有文字、数据、图片均只适用于参考,SK型直联水环式真空泵性能参数、SK型直联水环式真空泵使用场合、SK型直联水环式真空泵材质要求、SK型直联水环式真空泵结构、SK型直联水环式真空泵安装尺寸以及SK型直联水环式真空泵的价格等详情,我们一定会尽心尽力为您提供优质的服务。

